PRODUCTS
功能特性
高分辨率,畫面清晰度一致性高
低畸變,高遠心度,更適合高精度測量與定位應用
具有**的抗振性能和高低溫穩定性
最大支持1/2”相機
訂貨型號
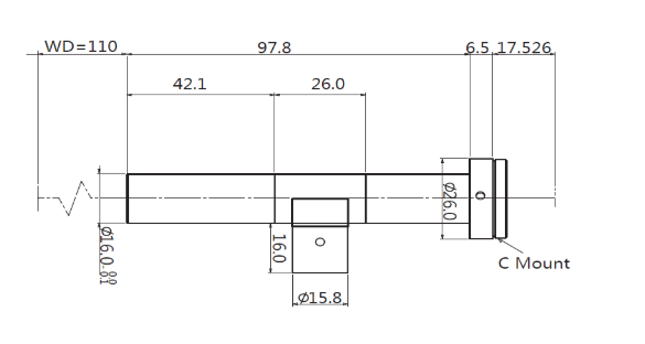
MVL-HY-15-110C
外形尺寸

| 型號 | 型號 | MVL-HY-15-110C |
| 名稱 | 110mm工作距,1/2",1.5x,帶同軸光接口 | |
| 性能 | 放大倍率 | 1.5 |
| 工作距離 | 110±2 mm | |
| F數 | F13.2 | |
| 像面尺寸 | Φ8 mm | |
| 光學畸變 | ≤ 1% | |
| 景深 | 0.5 mm | |
| 物方分辨率 | 7.0 μm | |
| 物方遠心度 | ≤ 0.1° | |
| 結構 | 接口類型 | C-Mount |
| 外形尺寸 | Φ16 mm × 104.3 mm | |
| 重量 | 100 g | |
| 同軸光 | 支持 | |
| 溫度 | -10 ~ 50°C | |
| 一般規范 | 認證 | RoHS2.0 |